Skip to main content Skip to footer

ECONOMY LEVELING FEET

Image of Economy Leveling Feet Image of Draw-Economy Leveling Feet

Threads directly into extrusion end or into base plates, am nut included,

SELECT PRODUCT VARIATION BELOW TO ADD TO RFQ

Product Variations

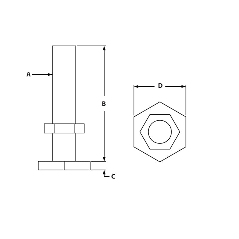
Item # Series Capacity A B C D List Price Qty. Add to RFQ
651527

40
1000 lbs
M6 x 1.0
30mm
2.40mm
14mm
3.987
651528

40
1750 lbs
M8 x 1.25
40mm
3.10mm
18mm
4.969
651529

40
2550 lbs
M10 x 1.5
60mm
3.70mm
22mm
9.961
651530

40
4600 lbs
M12 x 1.74
65mm
4.40mm
25mm
5.546