Skip to main content Skip to footer

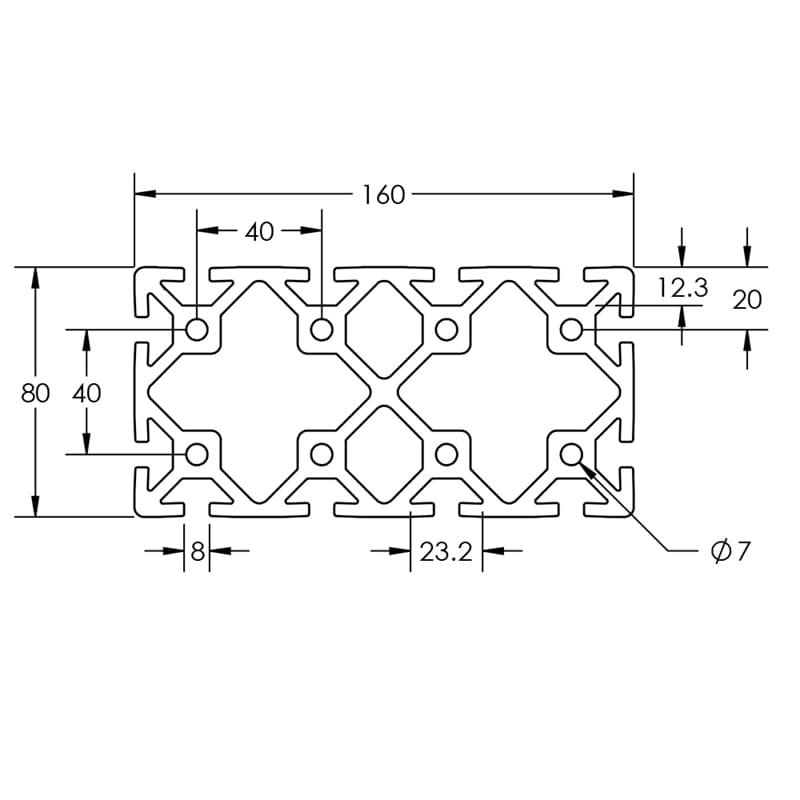
TS80-160 M

Image of 650064 Image Image of 650064 Dimension Image of 650164 Image

This 80mm x 160mm shape was designed for applications include lighter load bearing structures, guarding and light weight frames.

SELECT PRODUCT VARIATION BELOW TO ADD TO RFQ

Product Variations

Item # Series Finish Length List Price/Per Inch Qty. Add to RFQ
650064

40
Clear
240"
5.582
650164

40
Black
240"
6.736