Skip to main content Skip to footer

TS40-120 M

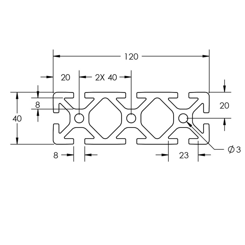
Image of 650022 Image Image of 650022 Dimension Image of 650122 Image

The 40mm x 120mm shape is ideal for applications where long lengths without supporting structures are needed. Use the 1.5″ x 4.5″ in conveyor systems, linear motion, material handling and large machine frames.

SELECT PRODUCT VARIATION BELOW TO ADD TO RFQ

Product Variations

Item # Series Finish Length List Price/Per Inch Qty. Add to RFQ
650022

40
Clear
240"
2.431
650122

40
Black
240"
2.988