Skip to main content Skip to footer

TS40-80 LM 4 Slot

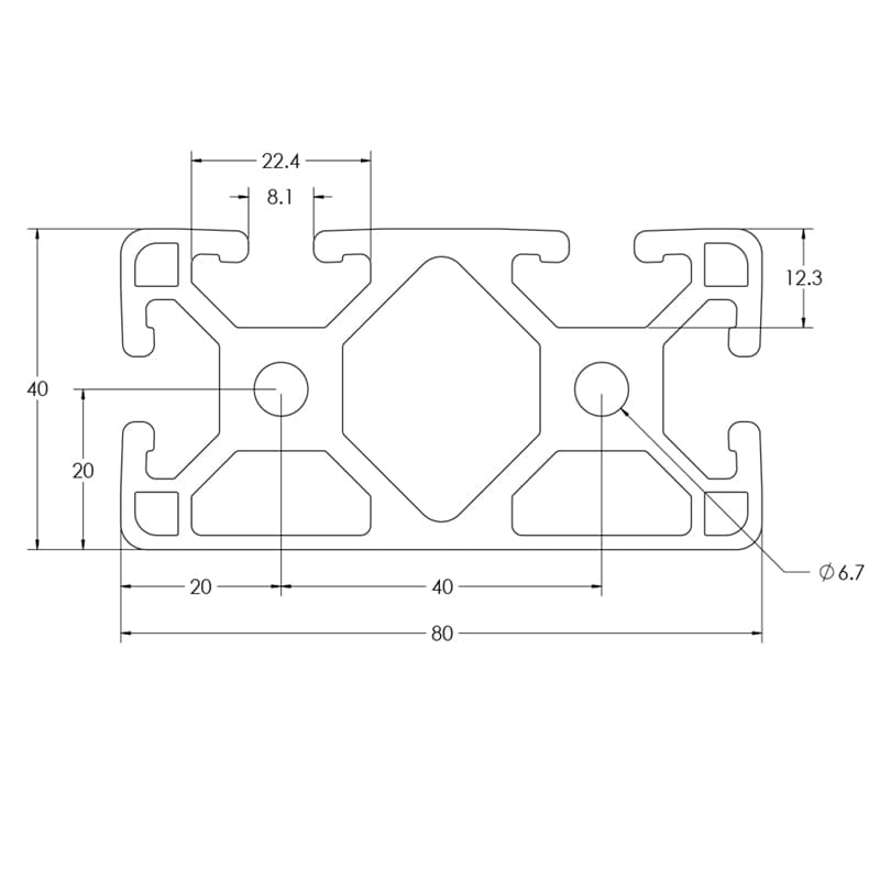
Image of 650067 Image Image of 650067 Dimension Image of 650167 Image

The 40mm x 80mmL shape is designed for larger structures where strength is not critical. Applications for this profile include framing and door tracks.

SELECT PRODUCT VARIATION BELOW TO ADD TO RFQ

Product Variations

Item # Series Finish Length List Price/Per Inch Qty. Add to RFQ
650067

40
Clear
240"
1.441
650167

40
Black
240"
1.724