Skip to main content Skip to footer

TS40-80 LM 2 Slot Bislot AD

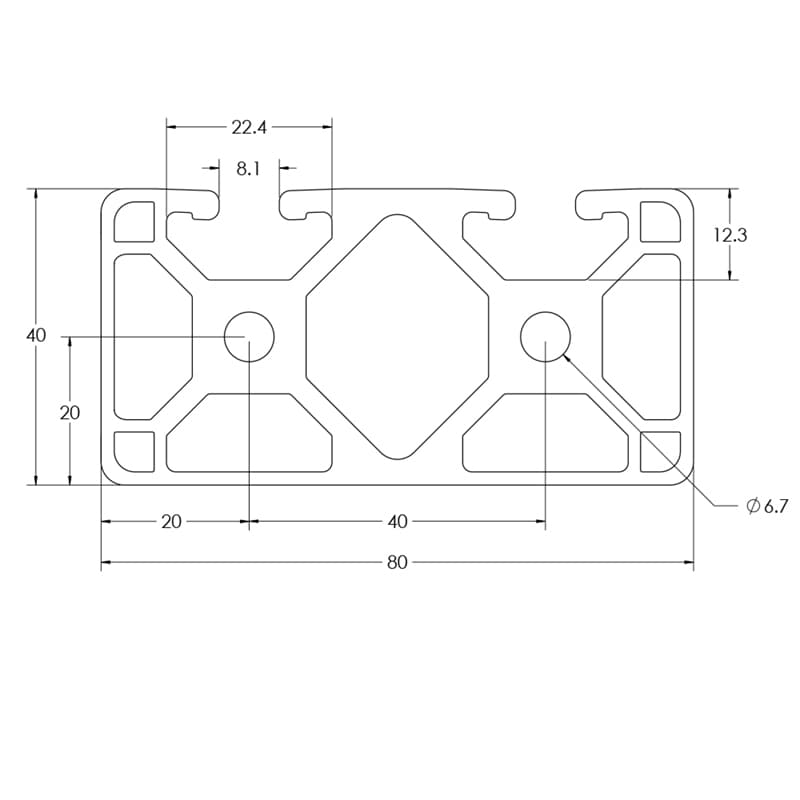
Image of 650068 Image Image of 650068 Dimension Image of 650168 Image

The 40mm x 80mmL shape is designed for larger structures where strength is not critical. Applications for this profile include framing and door tracks.

SELECT PRODUCT VARIATION BELOW TO ADD TO RFQ

Product Variations

Item # Series Finish Length List Price/Per Inch Qty. Add to RFQ
650068

40
Clear
240"
1.441
650168

40
Black
240"
1.724