Skip to main content Skip to footer

TS40-80 LM 2 Slot Bislot OPP

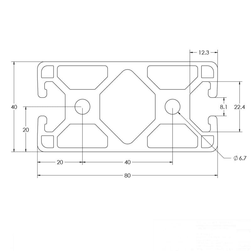
Image of 650066 Image Image of 650066 Dimension Image of 650166 Image

The 40mm x 80mmL shape is designed for larger structures where strength is not critical. Applications for this profile include framing and door tracks.

SELECT PRODUCT VARIATION BELOW TO ADD TO RFQ

Product Variations

Item # Series Finish Length List Price/Per Inch Qty. Add to RFQ
650066

40
Clear
240"
1.441
650166

40
Black
240"
1.724