Skip to main content Skip to footer

TS40-45 LM Bislot AD

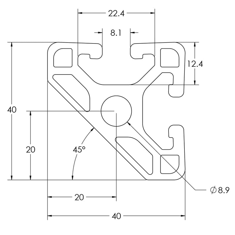
Image of 650058 Image Image of 650058 Dimension Image of 650158 Image

This 40mm 45 deg.profile with the 2 open slots provide a clean look which is optimal for furniture, displays, trade show booths, desks, and retail spaces.

SELECT PRODUCT VARIATION BELOW TO ADD TO RFQ

Product Variations

Item # Series Finish Length List Price/Per Inch Qty. Add to RFQ
650058

40
Clear
240"
0.694
650158

40
Black
240"
0.822