Skip to main content Skip to footer

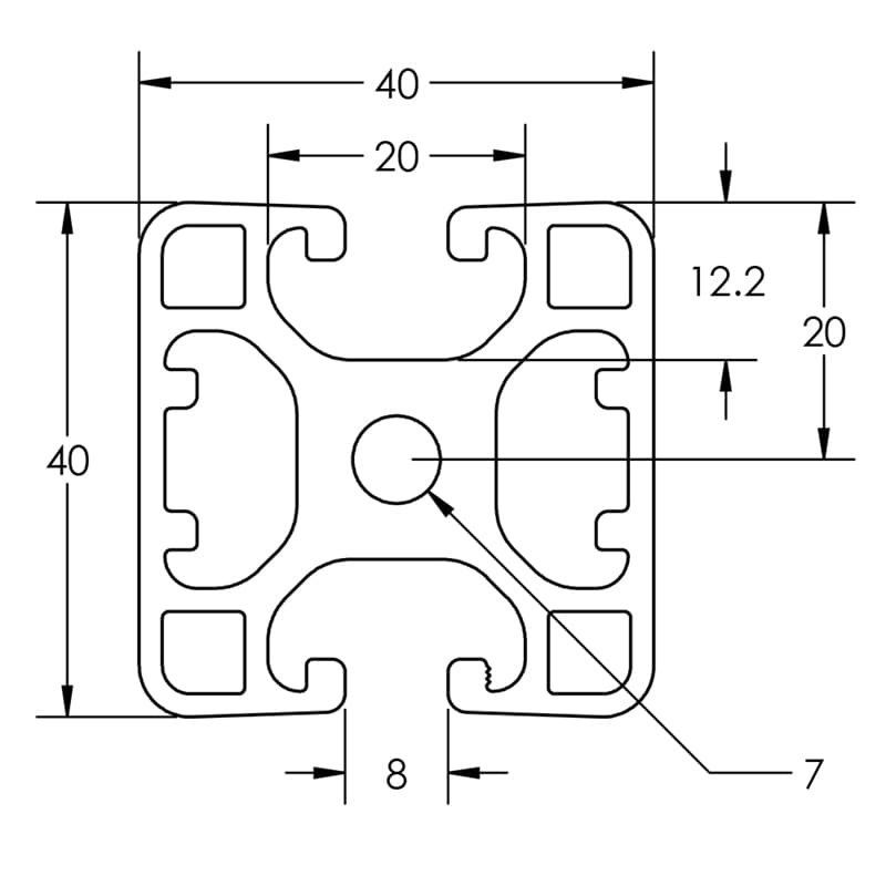
TS40-40 LM Bislot OPP

Image of 650051 Image Image of 650051 Dimension Image of 650151 Image

The 40mm x 40mmL shape was designed for lighter weight and strength requirements. Applications include lighter load bearing structures, guarding and light weight frames.

SELECT PRODUCT VARIATION BELOW TO ADD TO RFQ

Product Variations

Item # Series Finish Length List Price/Per Inch Qty. Add to RFQ
650051

40
Clear
240"
0.830
650151

40
Black
240"
1.017