Skip to main content Skip to footer

TS40-40 LM Monoslot

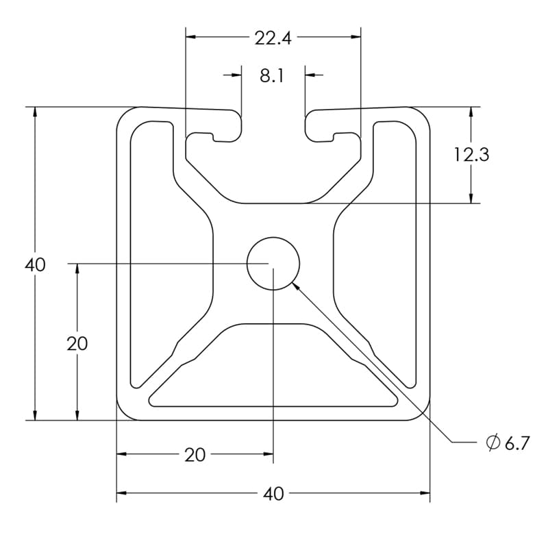
Image of 650059 Image Image of 650059 Dimension Image of 650159 Image

The 40mm x 40mmL shape was designed for lighter weight and strength requirements. Applications include lighter load bearing structures, guarding and light weight frames.

SELECT PRODUCT VARIATION BELOW TO ADD TO RFQ

Product Variations

Item # Series Finish Length List Price/Per Inch Qty. Add to RFQ
650059

40
Clear
240"
0.830
650159

40
Black
240"
1.017