Skip to main content Skip to footer

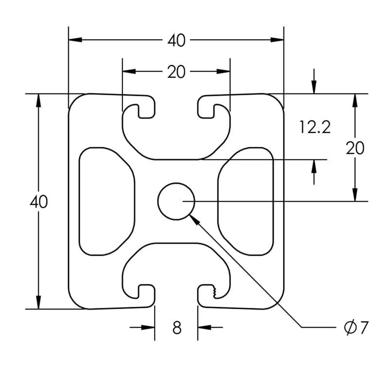
TS40-40 M Bislot OPP

Image of 650054 Image Image of 650054 Dimension Image of 650154 Image

The 40mm x 40mm shape has a thicker wall that will accommodate heavier applications. Applications include machine frames, workstations, shop carts, tables and machine retrofits.

SELECT PRODUCT VARIATION BELOW TO ADD TO RFQ

Product Variations

Item # Series Finish Length List Price/Per Inch Qty. Add to RFQ
650054

40
Clear
240"
0.887
650154

40
Black
240"
1.017