Skip to main content Skip to footer

TS40-40 LM

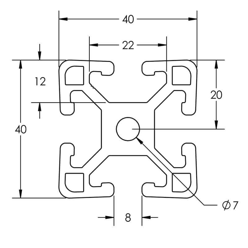
Image of 650033 Image Image of 650033 Dimension Image of 650133 Image Image of 650233 Image

The 40mm x 40mmL shape was designed for lighter weight and strength requirements. Applications include lighter load bearing structures, guarding and light weight frames.

SELECT PRODUCT VARIATION BELOW TO ADD TO RFQ

Product Variations

Item # Series Finish Length List Price/Per Inch Qty. Add to RFQ
650033

40
Clear
240"
0.830
650133

40
Black
240"
0.923
650233

40
Yellow
144"
1.411