Skip to main content Skip to footer

TS40-80VLM

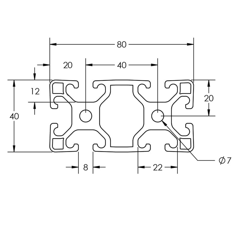
Image of 650038 Image Image of 650038 Dimension

The 40mm x 80mmL shape is designed for larger structures where strength is not critical. Applications for this profile include framing and door tracks. This shape can be used to run air lines or as a pressure or vacuum manifold up to 150 p.s.i.

SELECT PRODUCT VARIATION BELOW TO ADD TO RFQ

Product Variations

Item # Series Finish Length List Price/Per Inch Qty. Add to RFQ
650038

40
Clear
240"
1.395