Skip to main content Skip to footer

TS40-40VLM

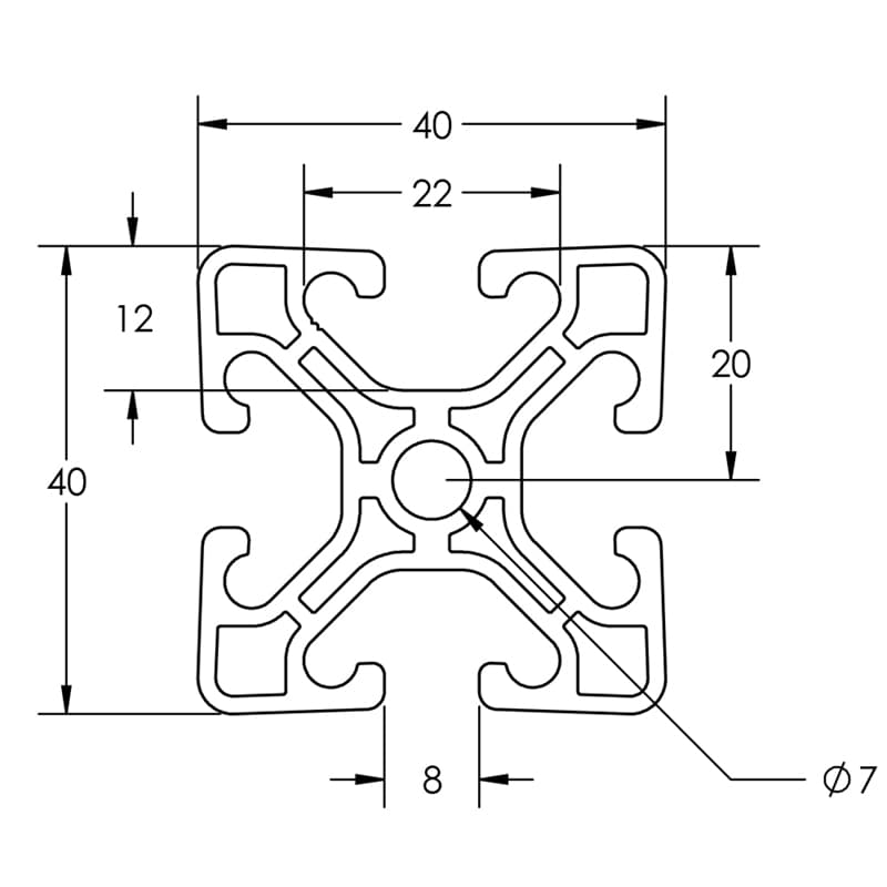
Image of 650034 Image Image of 650034 Dimension Image of 650134 Image

The 40mm x 40mmVL shape was designed for lighter weight and strength requirements than our 40mm x 40mmL. Applications include lighter load bearing structures, guarding and light weight frames.

SELECT PRODUCT VARIATION BELOW TO ADD TO RFQ

Product Variations

Item # Series Finish Length List Price/Per Inch Qty. Add to RFQ
650034

40
Clear
240"
0.697
650134

40
Black
240"
0.830