Skip to main content Skip to footer

SINGLE PANEL RETAINER

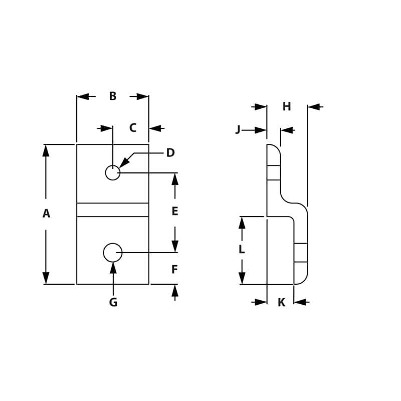
Image of Single Panel Retainers Drawing of Draw-Single Panel Retainers

Strongest way to retain panels, Simplifies panel installation and removal, Drilling panel required

SELECT PRODUCT VARIATION BELOW TO ADD TO RFQ

Product Variations

Item # Series Recommended Fastener Ext 1 # Recommended Fastener Ext. 1 Qty Recommended Fastener Ext. 2 # Recommended Fastener Ext.2 Qty Recommended Fastener Panel 1 # Recommended Fastener Panel Qty Recommended Fastener Panel 2 # Recommended Fastener Panel 2 Qty Recommended Fastener Panel 3 # Recommended Fastener Panel 3 Qty A B C D E F G H J K L List Price Qty. Add to RFQ
664039

40
651345
1
651367
1
651347
1
651353
1
651387
1
77.00mm
40.00mm
20.00mm
M8 x 1.25
44.40mm
15.80mm
8.33mm
21.95mm
6.00mm
15.95mm
37.00mm
6.504