Skip to main content Skip to footer

DOUBLE MESH PANEL RETAINER

Image of Double Mesh Retainer Drawing of Draw-Double Mesh Retainer Image of Double Mesh Retainer Wide Drawing of Draw-Double Mesh Retainer Wide

Prevents panels from pushing out, Simplifies installation and removal

SELECT PRODUCT VARIATION BELOW TO ADD TO RFQ

Product Variations

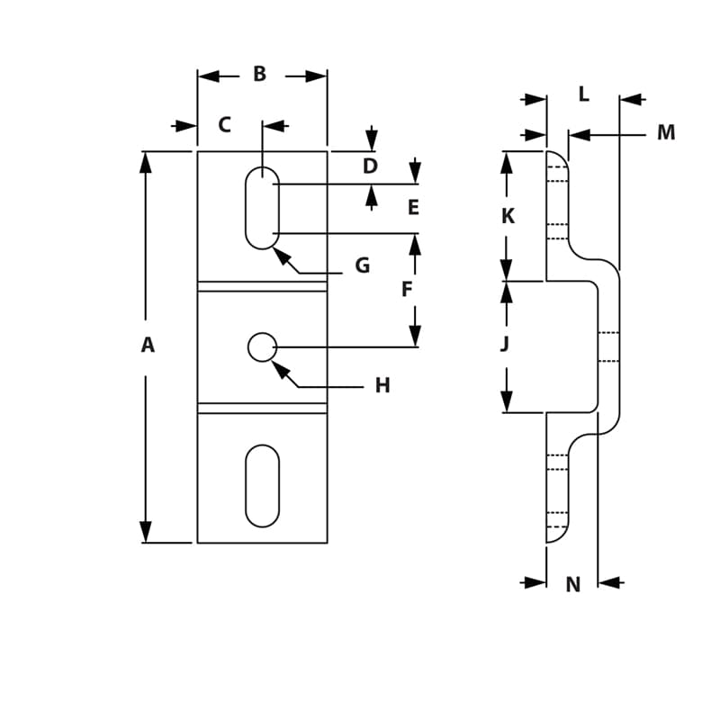
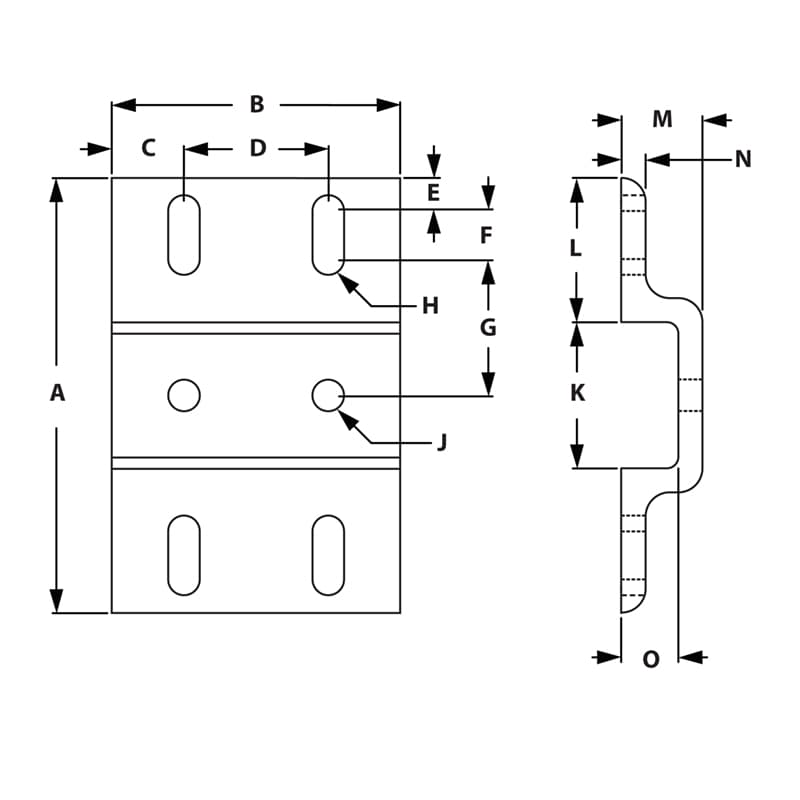
Item # Type Series Recommended Fastener Ext 1 # Recommended Fastener Ext. 1 Qty A B C D E F G H J K L M N O List Price Qty. Add to RFQ
655347

Single
15
651129
1
4.523"
1.500"
.750"
.344"
.500"
1.416"
.328"
.328"
1.523"
1.500"
.840"
.250"
.590"
11.082
655349

Wide
15
651129
2
4.523"
3.000"
.750"
1.500"
.344"
.500"
1.416"
.328"
.328"
1.523"
1.500"
.840"
.250"
.590"
10.853
655351

Single
10
651130
1
3.021"
1.000"
.500"
.250"
.375"
.855"
.257"
.257"
1.021"
1.000"
.563"
.188"
.375"
6.133
655353

Wide
10
651130
2
3.021"
2.000"
.500"
1.000"
.250"
.375"
.855"
.257"
.257"
1.021"
1.000"
.563"
.188"
.375"
8.571