Skip to main content Skip to footer

SINGLE PANEL RETAINER

Image of Single Panel Retainers Wide Drawing of Draw-Single Panel Retainers Wide Image of Single Panel Retainers Drawing of Draw-Single Panel Retainers

Strongest way to retain panels, Simplifies panel installation and removal, Drilling panel required

SELECT PRODUCT VARIATION BELOW TO ADD TO RFQ

Product Variations

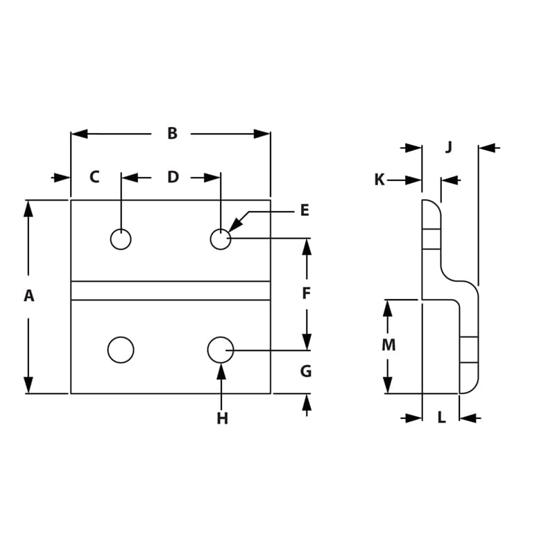
Item # Type Series Recommended Fastener Ext 1 # Recommended Fastener Ext. 1 Qty Recommended Fastener Panel 1 # Recommended Fastener Panel Qty A B C D E F G H J K L M List Price Qty. Add to RFQ
655294

Wide
15
651129
2
651135
2
2.879"
3.000"
.750"
1.500"
5/16/18
1.656"
.629"
.328"
.840"
.250"
.590"
1.379"
8.997
655295

Single
15
651129
1
651135
1
2.879"
1.500"
.750"
5/16/18
1.656"
.629"
.328"
.840"
.250"
.590"
1.379"
6.212
655329

Single
10
651130
1
651169
1
1.938"
1.000"
.500"
1/4-20
1.108"
.438"
.257"
.563"
.188"
.375"
.938"
5.898
655330

Wide
10
651130
2
651169
2
1.938"
2.000"
.500"
1.000"
1/4-20
1.108"
.438"
.257"
.563"
.188"
.375"
.938"
8.651