Skip to main content Skip to footer

L - HANDLE KIT

Image of L Handle Kit Image of Draw-L Handle Kit

This "L" handle linear brake kit adds an adjustable stop to any bearing with the proper brake machining. Provides a lockdown capability to ensure safe adjustments.

SELECT PRODUCT VARIATION BELOW TO ADD TO RFQ

Product Variations

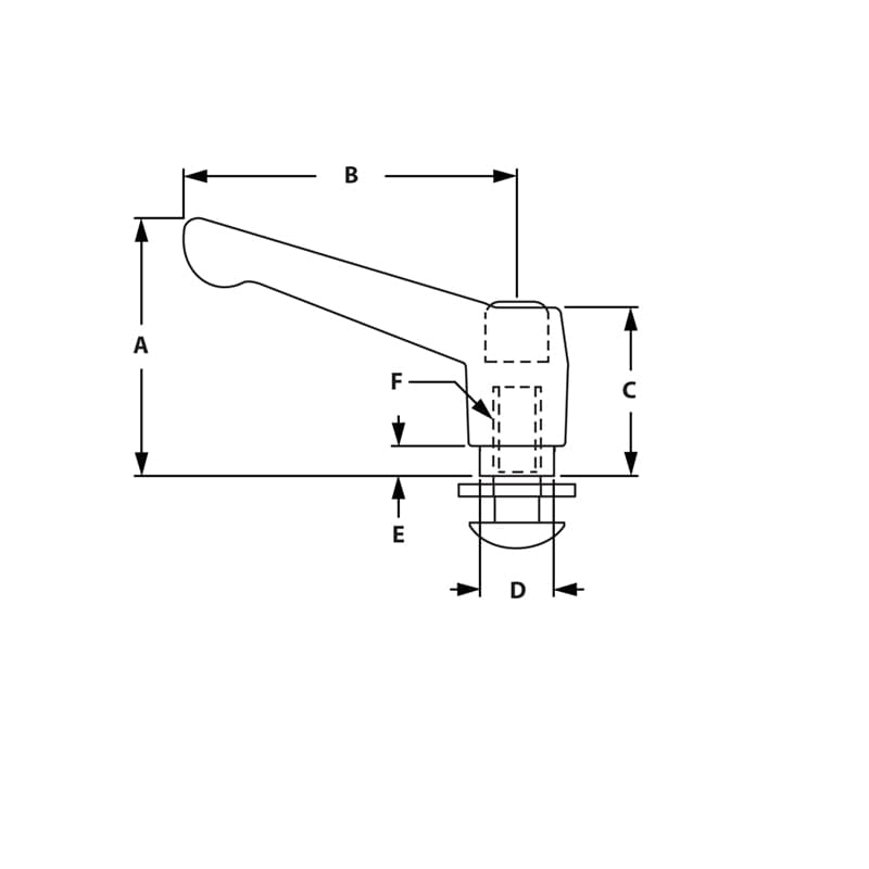
Item # Series Color Material A B C D E F List Price Qty. Add to RFQ
657079
40
Black
Nylon
55.20mm
78.00mm
36.07mm
16.00mm
7.87mm
5/16-18
20.524