Skip to main content Skip to footer

ECONOMY DOUBLE FLANGE SINGLE WIDE LINEAR BEARING - SHORT

Image of Econ Double Flange Single Wide Short Bearing Image of Draw-Econ Double Flange Single Wide Short Bearing

This short double flange bearing adds linear motion to any application. The bearing pads are durable and can endure repetitive cycles and start and stop motion. All bearings are designed for compression loads only and not for hanging loads.

SELECT PRODUCT VARIATION BELOW TO ADD TO RFQ

Product Variations

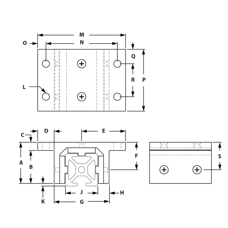
Item # Series Recommended Fastener Recommended Fastener Qty A B C D E F G H J K L M N O P Q R S List Price Qty. Add to RFQ
657167

40
651367
4
50.00mm
41.00mm
9.00mm
19.00mm
51.56mm
32.56mm
65.13mm
12.32mm
40.00mm
2.58mm
8.33mm
103.12mm
84.12mm
9.50mm
75.00mm
17.50mm
40.00mm
32.56mm
66.520