Skip to main content Skip to footer

DELUXE BEARING REPLACEMENT PADS - KEYED

Image of Deluxe Replacement Pads Keyed Short Image of Draw-Deluxe Replacement Pads Keyed Short Image of Deluxe Replacement Pads Keyed Long Image of Draw-Deluxe Replacement Pads Keyed Long

This keyed linear bearing pad is attached to TSLOTS linear bearings for smooth motion. This pad is self-lubricated and is designed for easy and simple installation.

SELECT PRODUCT VARIATION BELOW TO ADD TO RFQ

Product Variations

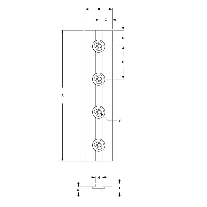
Item # Series Material Length A B C D E F G H J List Price Qty. Add to RFQ
657135

10
UHMW
Short
1.870"
.806"
.403"
.435"
1.000"
8-32
.150"
.246"
.250"
5.662
657136

10
UHMW
Long
3.950"
.806"
.403"
.475"
1.000"
8-32
.150"
.246"
.250"
11.324
657139

15
UHMW
Short
2.800"
1.240"
.620"
.650"
1.500"
8-32
.240"
.312"
.375"
7.708
657140

15
UHMW
Long
5.950"
1.287"
.644"
.725"
1.500"
8-32
.240"
.312"
.375"
11.324