Skip to main content Skip to footer

3 HOLE SIDE MOUNT PRESSURE MANIFOLD

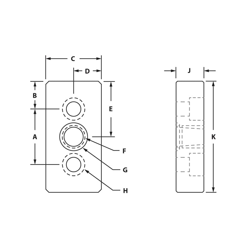
Image of 3 Hole Side Mount Pressure Manifold Image of Draw-3 Hole Side Mount Pressure Manifold

Compatible with most fluids and gases, Allows you to pressurize your machine, 150 p.s.i. maximum pressure

SELECT PRODUCT VARIATION BELOW TO ADD TO RFQ

Product Variations

Item # Series Included Bolt Included Bolt Qty Included Tnut Included Tnut Qty Included O-Ring # Included O-Ring Qty A B C D E F G H J K List Price Qty. Add to RFQ
655300

10
651022
2
651163
2
655147
1
1.000"
.500"
1.000"
.500"
1.000"
1/8" NPT
1/2" OD
1/4 SHCS
.500"
2.000"
17.301
655301

15
651057
2
651097
2
655146
1
1.500"
.750"
1.500"
.750"
1.500"
1/4" NPT
1" OD
5/16 SHCS
.750"
3.000"
20.840
655302

15
651057
2
651097
2
655146
1
1.500"
.750"
1.500"
.750"
1.500"
3/8" NPT
1" OD
5/16 SHCS
.750"
3.000"
22.412