Skip to main content Skip to footer

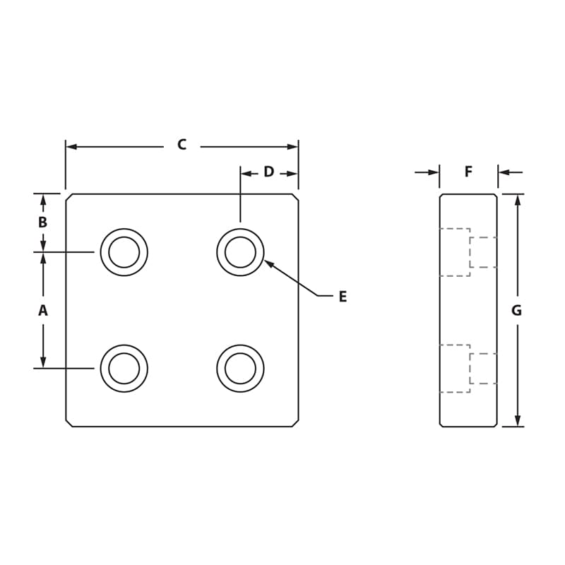
4 HOLE BLANK PRESSURE MANIFOLDS

Image of 4 Hole Blank Pressure Manifold Image of Draw-4 Hole Blank Pressure Manifold

Compatible with most fluids and gases, Allows you to pressurize your machine, 150 p.s.i. maximum pressure

SELECT PRODUCT VARIATION BELOW TO ADD TO RFQ

Product Variations

Item # Series Included Bolt Included Bolt Qty Included Gasket Included Gasket Qty A B C D E F G List Price Qty. Add to RFQ
655258

10
651028
4
655144
1
1.000"
.500"
2.000"
.500"
1/4 SHCS
.500"
2.000"
23.593
655259

15
651059
4
655145
1
1.500"
.750"
3.000"
.750"
5/16 SHCS
.750"
3.000"
25.169