Skip to main content Skip to footer

3 HOLE END MOUNT PRESSURE MANIFOLDS

Image of 3 Hole End Mount Pressure Manifold Image of Draw-3 Hole End Mount Pressure Manifold

Compatible with most fluids and gases, Allows you to pressurize your machine, 150 p.s.i. maximum pressure

SELECT PRODUCT VARIATION BELOW TO ADD TO RFQ

Product Variations

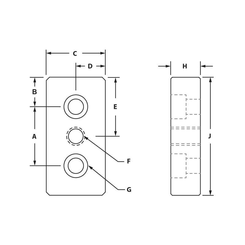
Item # Series Included Bolt Included Bolt Qty Included Gasket Included Gasket Qty A B C D E F G H J List Price Qty. Add to RFQ
655140

15
651059
2
655143
1
1.500"
.750"
1.500"
.750"
1.500"
3/8" NPT
5/16 SHCS
.750"
3.000"
32.484
655141

10
651028
2
655142
1
1.000"
.500"
1.000"
.500"
1.000"
1/4" NPT
1/4 SHCS
.500"
2.000"
16.514