Skip to main content Skip to footer

ALUMINUM HINGES

Image of Aluminum Hinge Image of Draw-Aluminum Hinge

Low profile mounts to T-Slot, Gap of .050" between extrusions

SELECT PRODUCT VARIATION BELOW TO ADD TO RFQ

Product Variations

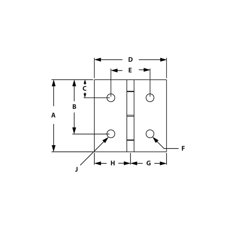
Item # Series A B C D E F G H J K List Price Qty. Add to RFQ
655083

10
2.000"
1.500"
.500"
2.000"
1.062"
.257"
1.000"
1.000"
.257"
40lbs
9.201
655082

15
3.000"
2.250"
.750"
3.000"
1.625"
.328"
1.500"
1.500"
.328"
75lbs
11.953
655081

10 to 15
3.000"
2.250"
.750"
2.500"
1.375"
.257"
1.000"
1.500"
.328"
75lbs
13.998