Skip to main content Skip to footer

HEAVY DUTY FLANGE MOUNT SWIVEL CASTERS

Image of Heavy Duty Flange Mount Casters Swivel Gray Image of Draw-Heavy Duty Flange Mount Casters Image of Heavy Duty Flange Mount Casters Swivel 655462 Image of Heavy Duty Flange Mount Casters Swivel 655464 Image of Heavy Duty Flange Mount Casters Swivel 655744

Comes in 5" and 6" diameters, 425 lb. to 900 lb. capacity

SELECT PRODUCT VARIATION BELOW TO ADD TO RFQ

Product Variations

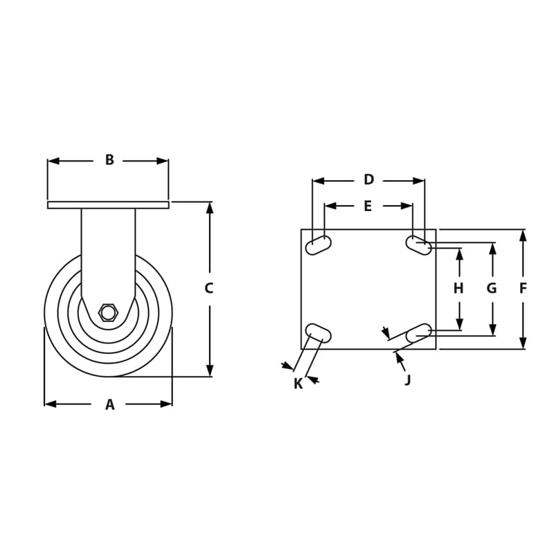
Item # Series Capacity Wheel Color Brake A B C D E F G H J K List Price Qty. Add to RFQ
655458

15
425 lbs
Gray
No
5.000"
4.500"
6.500"
3.620"
3.000"
4.000"
3.000"
2.620"
.420"
.562"
91.304
655460

15
475 lbs
Black
No
6.000"
4.500"
7.500"
3.620"
3.000"
4.000"
3.000"
2.620"
.420"
.562"
59.767
655462

15
750 lbs
Dark Red
No
5.000"
4.500"
6.500"
3.620"
3.000"
4.000"
3.000"
2.620"
.420"
.562"
85.719
655464

15
900 lbs
Dark Red
No
6.000"
4.500"
7.500"
3.620"
3.000"
4.000"
3.000"
2.620"
.420"
.562"
208.112
655744

15
700 lbs
Black
Yes
6.000"
4.500"
7.500"
3.625"
3.000"
4.000"
3.000"
2.625"
.420"
.562"
106.556