Skip to main content Skip to footer

FLANGE MOUNT CASTER BASE PLATE

Image of Flange Mount Base Plate Style 1 Image of Draw-Flange Mount Base Plate Style 1 Image of Flange Mount Base Plate Style 2 Image of Draw-Flange Mount Base Plate Style 2

Mounts Flange Mount Caster and Deluxe Flange Mount Caster to extrusion, Mount Base Plate to either extrusion end or slot

SELECT PRODUCT VARIATION BELOW TO ADD TO RFQ

Product Variations

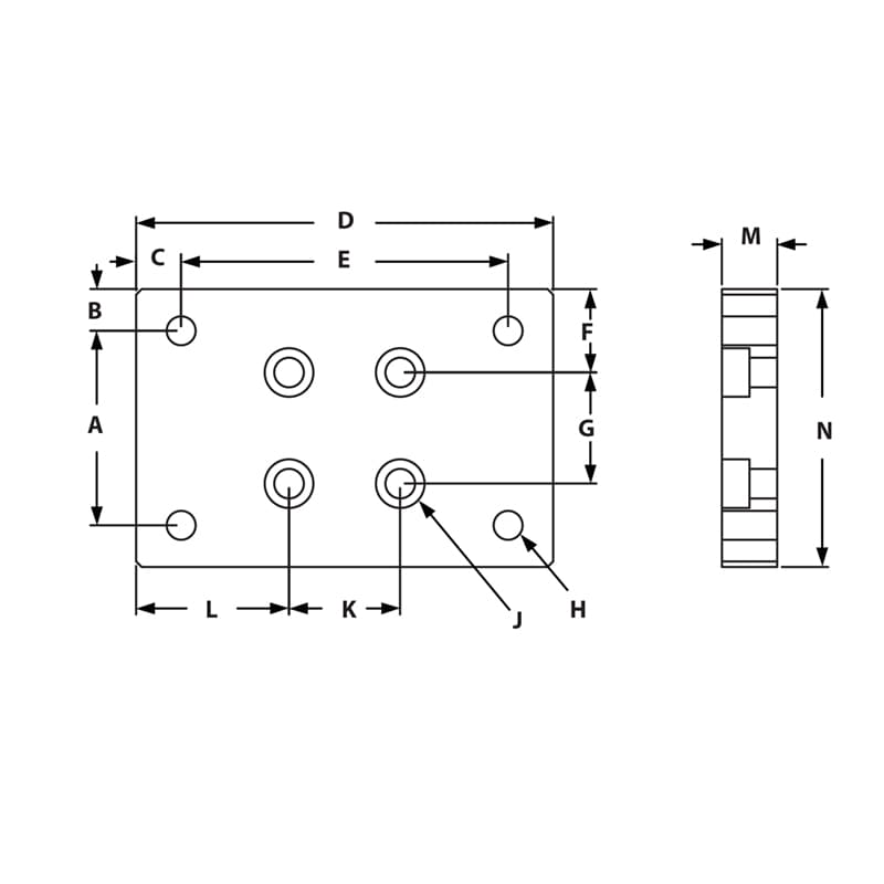
Item # Series A B C D E F G H J K L M N List Price Qty. Add to RFQ
664067

40
44.45mm
17.78mm
11.15mm
97mm
74.68mm
20mm
40mm
M8
M8 SHCS
40mm
28.48mm
19mm
80mm
34.488
664068

40
44.45mm
17.78mm
11.15mm
97mm
74.68mm
20mm
40mm
M9
M8 SHCS
20mm
28.48mm
19mm
80mm
32.823