Skip to main content Skip to footer

Not Found

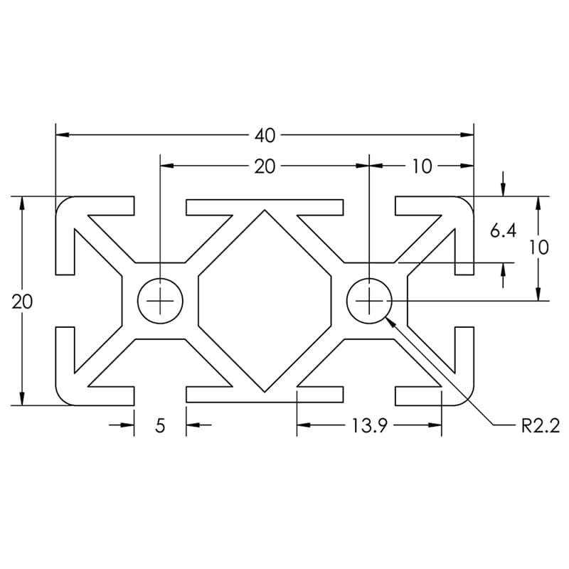
Image of 650002 Image Image of 650046 Dimension Image of 650102 Image

Not found

SELECT PRODUCT VARIATION BELOW TO ADD TO RFQ

Product Variations

Item # Series Finish Length List Price/Per Inch Qty. Add to RFQ
650046

20
Clear
240"
0.391
650146

20
Black
240"
0.573