Skip to main content Skip to footer

TS30-30 L GR

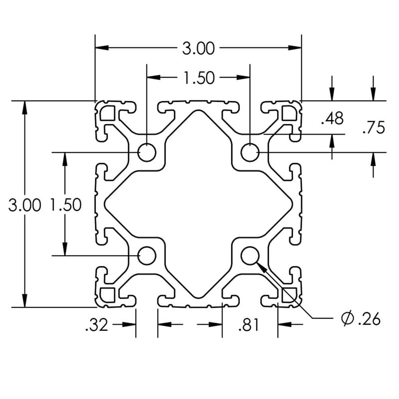
Image of 650084 Image Image of 650084 Dimension Image of 650184 Image

The 3″ x 3″L shape was designed for lighter weight and strength requirements than our 3″ x 3″. Applications include lighter load bearing structures, guarding and light weight frames. The align-a-grooves assist in aligning connecting profiles.

SELECT PRODUCT VARIATION BELOW TO ADD TO RFQ

Product Variations

Item # Series Finish Length List Price/Per Inch Qty. Add to RFQ
650084

15
Clear
240"
2.276
650184

15
Black
240"
2.572