Skip to main content Skip to footer

TS30-30 L

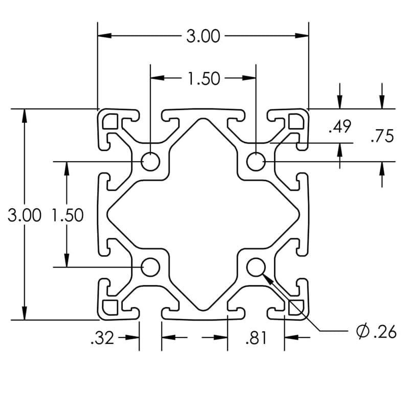
Image of 650013 Image Image of 650013 Dimension Image of 650113 Image

The 3″ x 3″L shape was designed for lighter weight and strength requirements than our 3″ x 3″. Applications include lighter load bearing structures, guarding and light weight frames.

SELECT PRODUCT VARIATION BELOW TO ADD TO RFQ

Product Variations

Item # Series Finish Length List Price/Per Inch Qty. Add to RFQ
650013

15
Clear
240"
2.276
650113

15
Black
240"
2.572