Skip to main content Skip to footer

TS15-30 VL

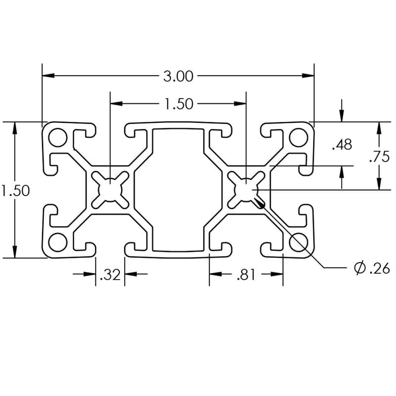
Image of 650020 Image Image of 650020 Dimension Image of 650120 Image

The 1.5″ x 3.0″ VL shape is designed for larger structures where strength is not critical compared to the 1" x 1" profiles. Applications for 1.5″ x 3.0″L include framing and door tracks. This shape can be used to run air lines or as a pressure or vacuum m

SELECT PRODUCT VARIATION BELOW TO ADD TO RFQ

Product Variations

Item # Series Finish Length List Price/Per Inch Qty. Add to RFQ
650020

15
Clear
240"
1.177
650120

15
Black
240"
1.360