Skip to main content Skip to footer

TS15-30 L

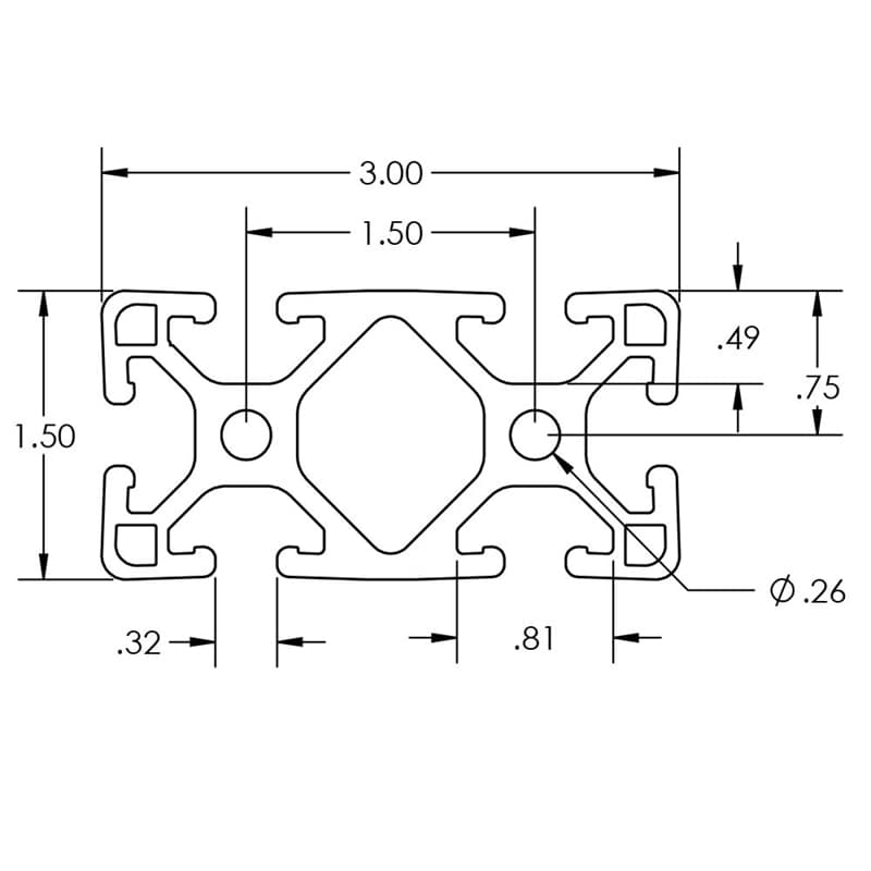
Image of 650009 Image Image of 650009 Dimension Image of 650109 Image

The 1.5″ x 3.0″ L shape is designed for larger structures where strength is not critical. Applications for 1.5″ x 3.0″L include framing and door tracks. This shape can be used to run air lines or as a pressure or vacuum manifold up to 150 p.s.i.

SELECT PRODUCT VARIATION BELOW TO ADD TO RFQ

Product Variations

Item # Series Finish Length List Price/Per Inch Qty. Add to RFQ
650009

15
Clear
240"
1.363
650109

15
Black
240"
1.518