Skip to main content Skip to footer

TS15-15 L Bislot OPP

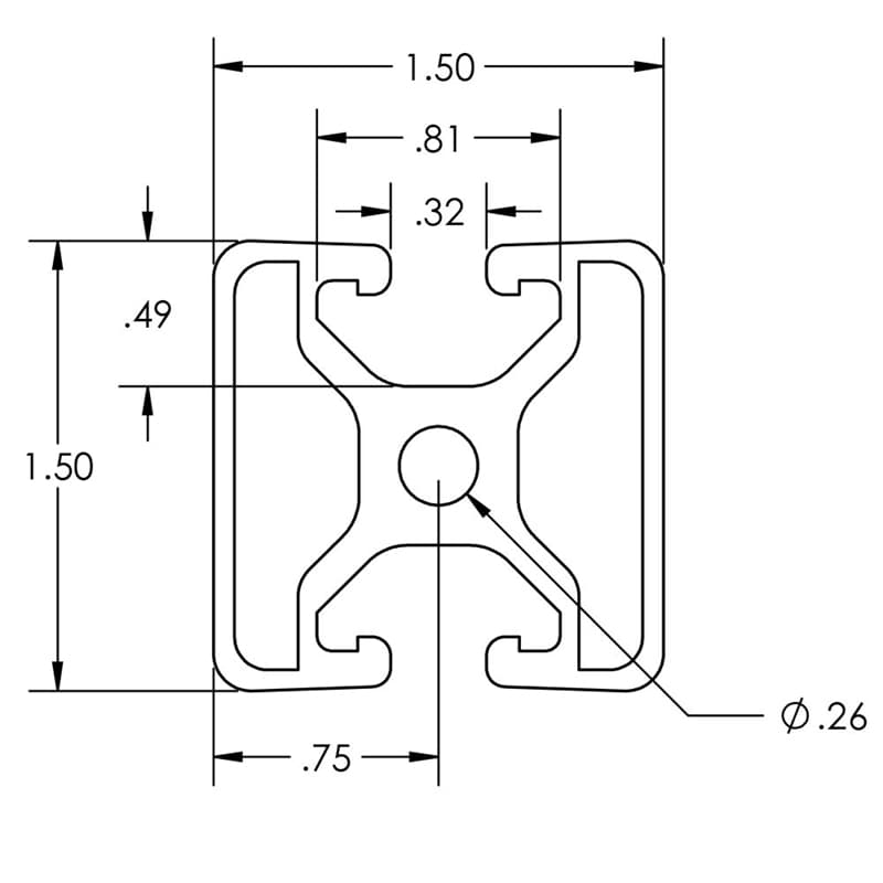
Image of 650016 Image Image of 650016 Dimension Image of 650116 Image

The 1.5″ x 1.5″ BOS shape was designed for lighter weight and strength requirements where additional cleanliness and aesthetics is needed. Applications include machine enclosures, guarding and light weight frames.

SELECT PRODUCT VARIATION BELOW TO ADD TO RFQ

Product Variations

Item # Series Finish Length List Price/Per Inch Qty. Add to RFQ
650016

15
Clear
240"
0.747
650116

15
Black
240"
0.908