Skip to main content Skip to footer

TS15-15 L Monoslot

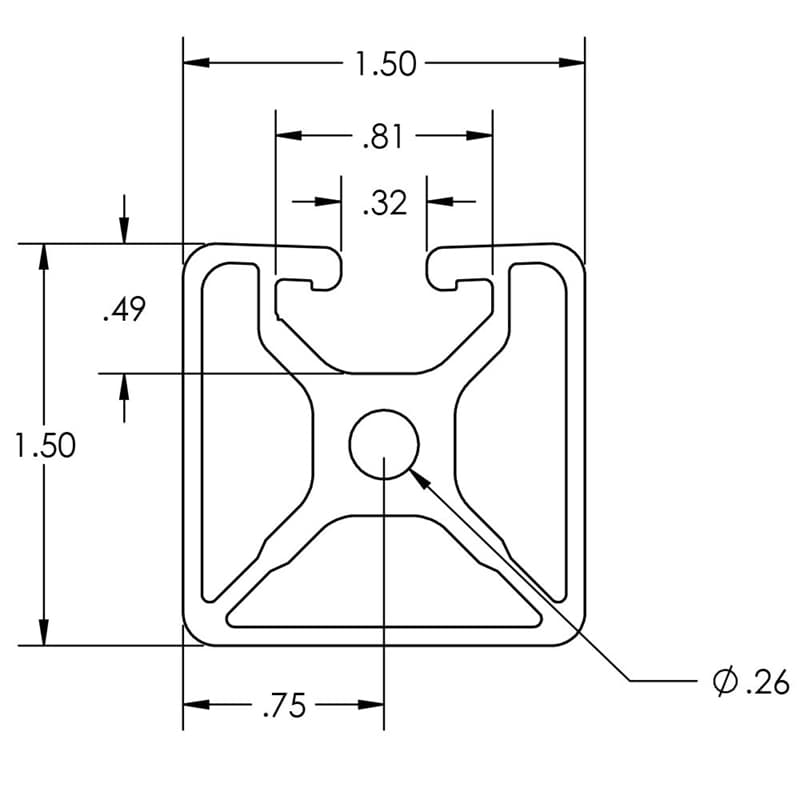
Image of 650014 Image Image of 650014 Dimension Image of 650114 Image

The 1.5″ x 1.5″ MOS shape was designed for lighter weight and strength requirements where additional cleanliness and aesthetics is needed. Applications include machine enclosures, guarding and light weight frames.

SELECT PRODUCT VARIATION BELOW TO ADD TO RFQ

Product Variations

Item # Series Finish Length List Price/Per Inch Qty. Add to RFQ
650014

15
Clear
240"
0.747
650114

15
Black
240"
0.908