Skip to main content Skip to footer

TS15-15 L GR

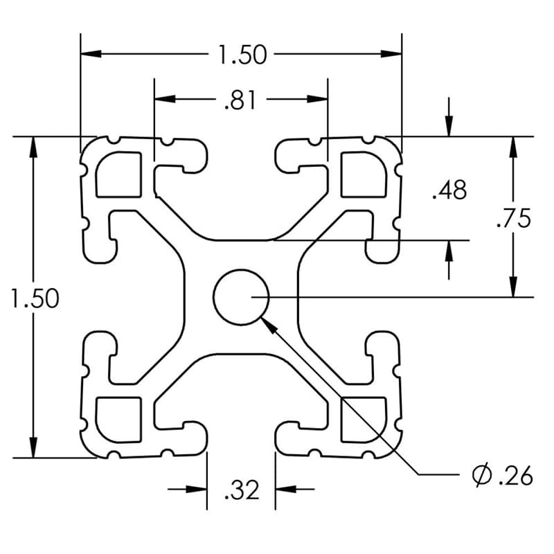
Image of 650048 Image Image of 650048 Dimension Image of 650148 Image Image of 650248 Image

The 1.5″ x 1.5″L shape was designed for lighter weight and strength requirements than our 1.5″ x 1.5″. Applications include lighter load bearing structures, guarding and light weight frames. The align-a-grooves assist in aligning connecting profiles.

SELECT PRODUCT VARIATION BELOW TO ADD TO RFQ

Product Variations

Item # Series Finish Length List Price/Per Inch Qty. Add to RFQ
650048

15
Clear
240"
0.747
650148

15
Black
240"
0.840
650248

15
Yellow
144"
1.260