Skip to main content Skip to footer

TS15-15 L

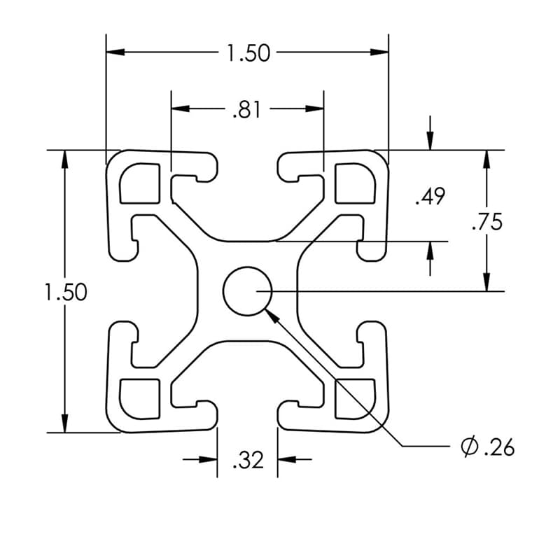
Image of 650006 Image Image of 650006 Dimension Image of 650106 Image

The 1.5″ x 1.5″L shape was designed for lighter weight and strength requirements than our 1.5″ x 1.5″. Applications include lighter load bearing structures, guarding and light weight frames.

SELECT PRODUCT VARIATION BELOW TO ADD TO RFQ

Product Variations

Item # Series Finish Length List Price/Per Inch Qty. Add to RFQ
650006

15
Clear
240"
0.747
650106

15
Black
240"
0.840