Skip to main content Skip to footer

TS30-30 GR

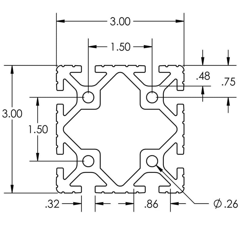
Image of 650083 Image Image of 650083 Dimension Image of 650183 Image

Our 3″ x 3″ shape has a thicker wall and is designed for heavier and stronger structures where strength is critical. This shape can be used to run air lines or as a pressure or vacuum manifold up to 150 p.s.i. The align-a-grooves assist in aligning connec

SELECT PRODUCT VARIATION BELOW TO ADD TO RFQ

Product Variations

Item # Series Finish Length List Price/Per Inch Qty. Add to RFQ
650083

15
Clear
240"
2.491
650183

15
Black
240"
3.516