Skip to main content Skip to footer

TS15-45

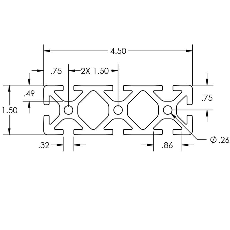
Image of 650010 Image Image of 650010 Dimension Image of 650110 Image

The 1.5″ x 4.5″ shape is ideal for applications where long lengths without supporting structures are needed. Use the 1.5″ x 4.5″ in conveyor systems, linear motion, material handling and large machine frames. The two hollow centers are good for dual air m

SELECT PRODUCT VARIATION BELOW TO ADD TO RFQ

Product Variations

Item # Series Finish Length List Price/Per Inch Qty. Add to RFQ
650010

15
Clear
240"
2.326
650110

15
Black
240"
2.522