Skip to main content Skip to footer

TS15-30

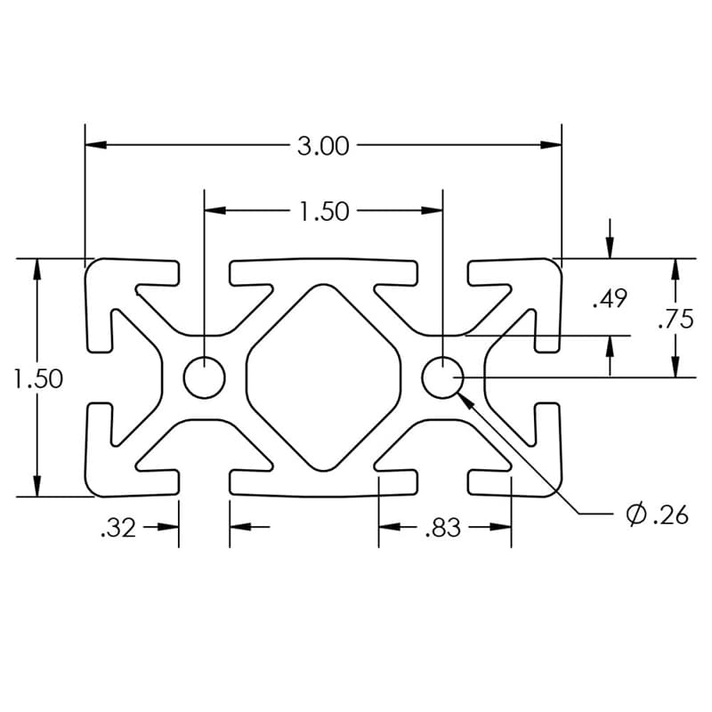
Image of 650008 Image Image of 650008 Dimension Image of 650108 Image

The 1.5″ x 3.0″ shape is designed for larger and heavier structures where strength is required. Applications for 1.5″x3.0″ include framing systems, roller conveyor systems, fixturing, specialty machines, supports, linear slides and automated assembly syst

SELECT PRODUCT VARIATION BELOW TO ADD TO RFQ

Product Variations

Item # Series Finish Length List Price/Per Inch Qty. Add to RFQ
650008

15
Clear
240"
1.544
650108

15
Black
240"
1.729