Skip to main content Skip to footer

TS15-15

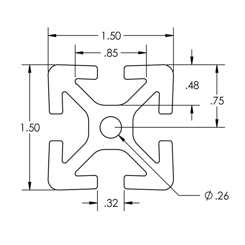
Image of 650005 Image Image of 650005 Dimension Image of 650105 Image

The 1.5″ x 1.5″ shape has a thicker wall that will accommodate heavier applications than the 1.5″ x 1.5″L. Applications include machine frames, workstations, shop carts, tables and machine retrofits.

SELECT PRODUCT VARIATION BELOW TO ADD TO RFQ

Product Variations

Item # Series Finish Length List Price/Per Inch Qty. Add to RFQ
650005

15
Clear
240"
0.879
650105

15
Black
240"
0.986