Skip to main content Skip to footer

TS20-20 GR

Image of 650072 Image Image of 650072 Dimension Image of 650172 Image

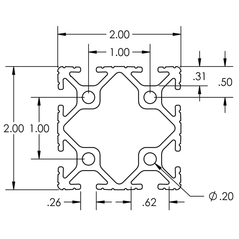
The 2″ x 2″ extrusion is ideal for structures where more strength is needed for smaller frame assemblies. The center of the 2″ x 2″ can be used to run air lines or serve as a pressure or vacuum manifold up to 150 p.s.i. The 2″ x 2″ TSLOTS extrusion accept

SELECT PRODUCT VARIATION BELOW TO ADD TO RFQ

Product Variations

Item # Series Finish Length List Price/Per Inch Qty. Add to RFQ
650072

10
Clear
240"
0.947
650172

10
Black
240"
1.067