Skip to main content Skip to footer

TS10-20 GR

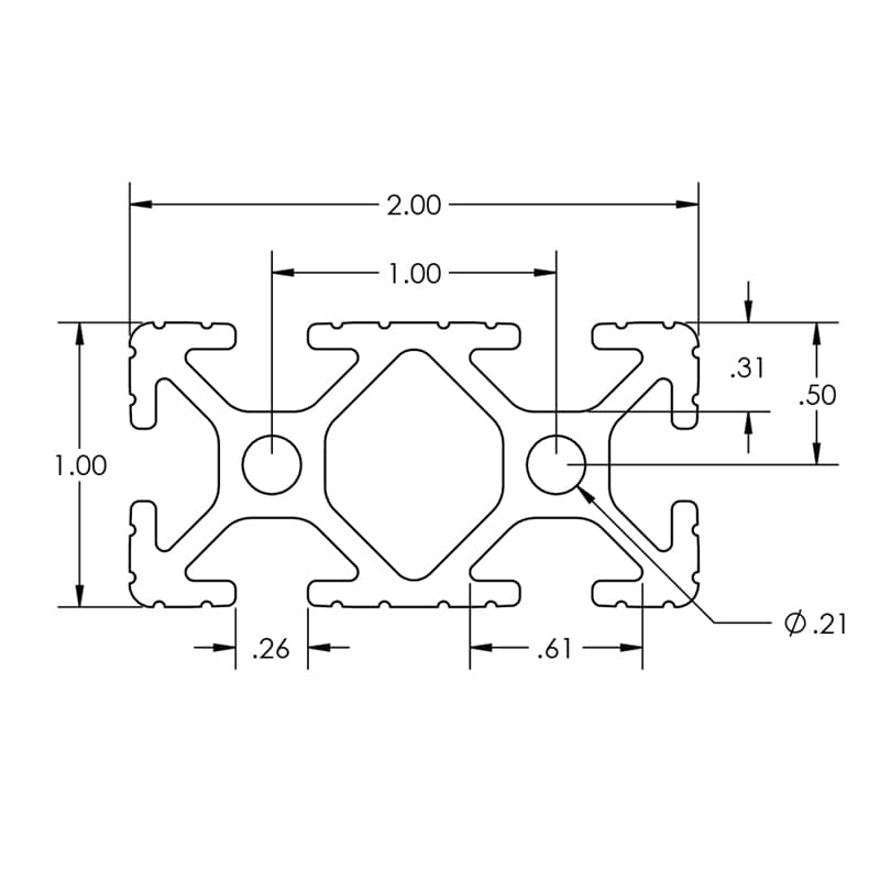
Image of 650071 Image Image of 650071 Dimension Image of 650171 Image

The 1" x 2" shape is designed for machine guarding, work benches, sound enclosures and mounting devices. The 1" x 2" shape can be used to run air lines or as a pressure or vacuum manifold. The align-a-grooves assist in aligning connecting profiles.

SELECT PRODUCT VARIATION BELOW TO ADD TO RFQ

Product Variations

Item # Series Finish Length List Price/Per Inch Qty. Add to RFQ
650071

10
Clear
240"
0.647
650171

10
Black
240"
0.822