Skip to main content Skip to footer

TS10-20

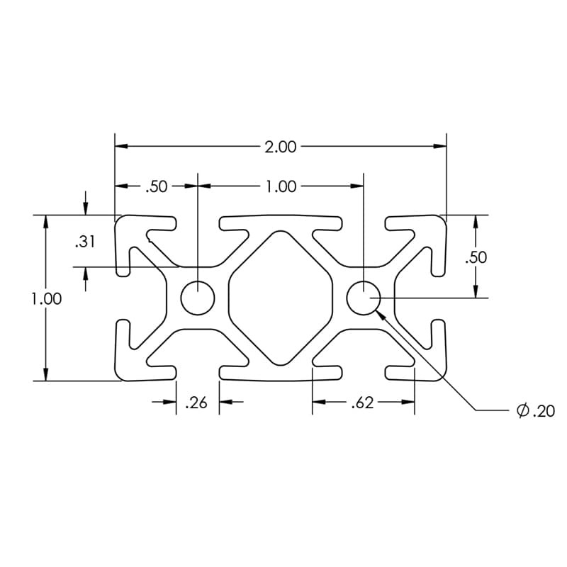
Image of 650002 Image Image of 650002 Dimension Image of 650102 Image

The 1" x 2" shape is designed for machine guarding, work benches, sound enclosures and mounting devices. The 1" x 2" shape can be used to run air lines or as a pressure or vacuum manifold.

SELECT PRODUCT VARIATION BELOW TO ADD TO RFQ

Product Variations

Item # Series Finish Length List Price/Per Inch Qty. Add to RFQ
650002

10
Clear
240"
0.647
650102

10
Black
240"
0.754