Skip to main content Skip to footer

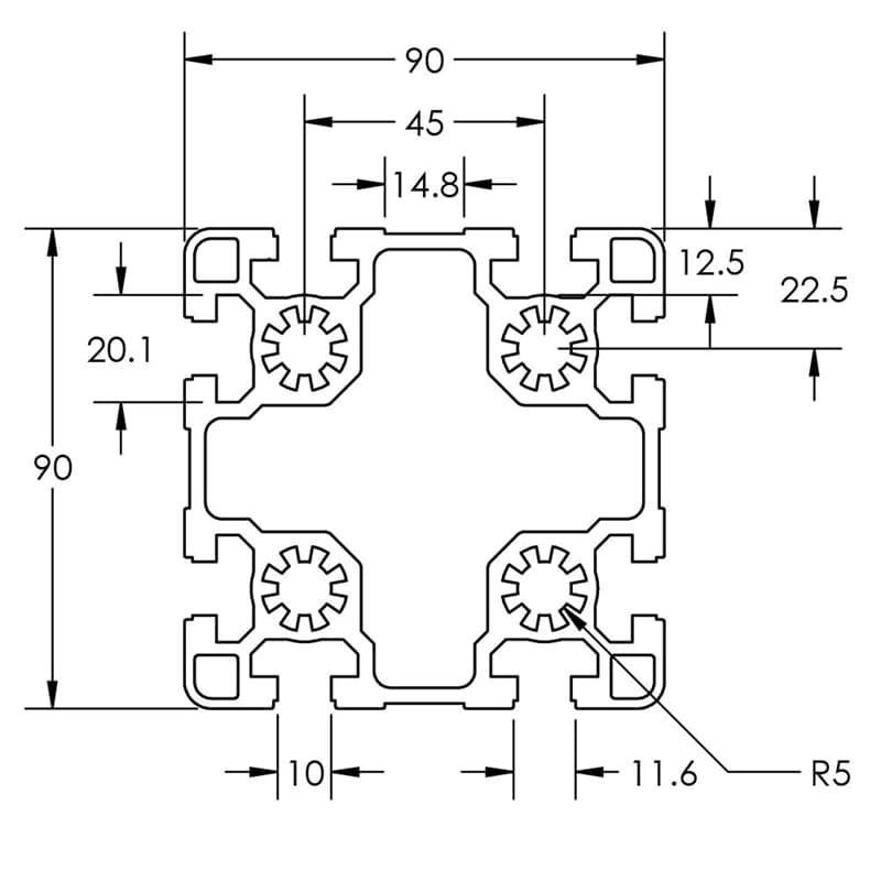
TS90-90 LB

Image of 670057 Image Image of 670057 Dimension Image of 670157 Image

This 90mm x 90mm shape was designed for applications include lighter load bearing structures, guarding and light weight frames.

SELECT PRODUCT VARIATION BELOW TO ADD TO RFQ

Product Variations

Item # Series Finish Length List Price/Per Inch Qty. Add to RFQ
670057

45
Clear
239"
2.857
670157

45
Black
239"
3.000