Skip to main content Skip to footer

TS60-90 HB

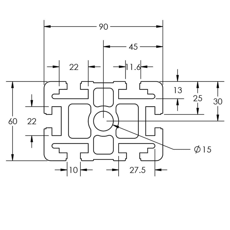
Image of 670053 Image Image of 670053 Dimension Image of 670153 Image

This 60mm x 90mm shape was designed for applications include lighter load bearing structures, guarding and light weight frames.

SELECT PRODUCT VARIATION BELOW TO ADD TO RFQ

Product Variations

Item # Series Finish Length List Price/Per Inch Qty. Add to RFQ
670053

45
Clear
239"
3.919
670153

45
Black
239"
4.630