Skip to main content Skip to footer

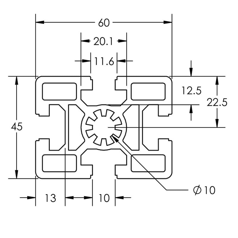
TS45-60 HB

Image of 670050 Image Image of 670050 Dimension Image of 670150 Image

This 45mm shape has a thicker wall that will accommodate heavier applications. Applications include machine frames, workstations, shop carts, tables and machine retrofits.

SELECT PRODUCT VARIATION BELOW TO ADD TO RFQ

Product Variations

Item # Series Finish Length List Price/Per Inch Qty. Add to RFQ
670050

45
Clear
239"
1.354
670150

45
Black
239"
1.568