Skip to main content Skip to footer

TS60-60 HB 4 Slot

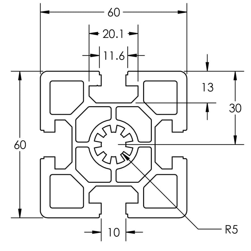
Image of 670052 Image Image of 670052 Dimension Image of 670152 Image

This 60mm shape was designed for applications include lighter load bearing structures, guarding and light weight frames.

SELECT PRODUCT VARIATION BELOW TO ADD TO RFQ

Product Variations

Item # Series Finish Length List Price/Per Inch Qty. Add to RFQ
670052

45
Clear
239"
1.860
670152

45
Black
239"
1.958