Skip to main content Skip to footer

TS60-60 LB 4 Slot

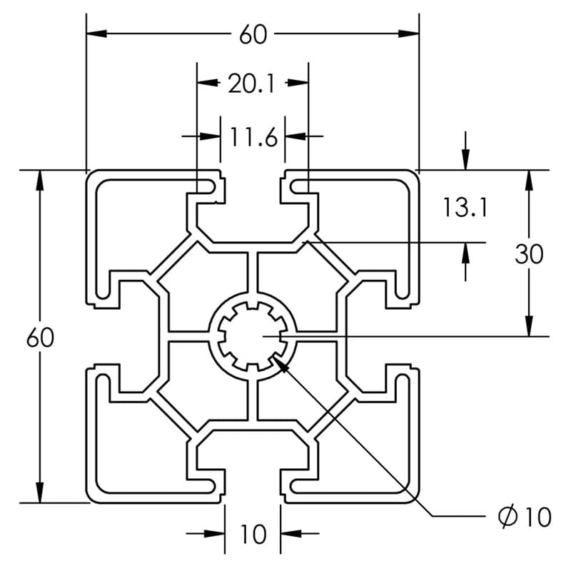
Image of 670051 Image Image of 670051 Dimension Image of 670151 Image

This 60mm shape was designed for applications include lighter load bearing structures, guarding and light weight frames.

SELECT PRODUCT VARIATION BELOW TO ADD TO RFQ

Product Variations

Item # Series Finish Length List Price/Per Inch Qty. Add to RFQ
670051

45
Clear
239"
1.182
670151

45
Black
239"
1.373