Skip to main content Skip to footer

TS45-90 LB

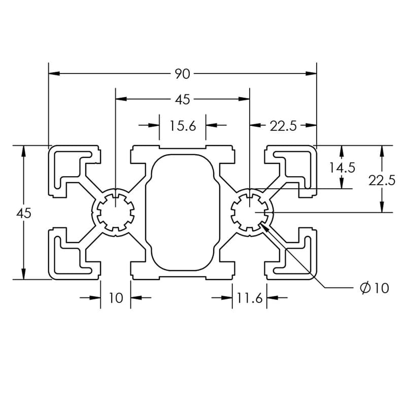
Image of 670043 Image Image of 670043 Dimension Image of 670143 Image

The 45mm x 90mm″ shape is designed for larger and heavier structures where strength is required. Applications for this include framing systems, roller conveyor systems, fixturing, specialty machines, supports, and automated assembly systems. This shape ca

SELECT PRODUCT VARIATION BELOW TO ADD TO RFQ

Product Variations

Item # Series Finish Length List Price/Per Inch Qty. Add to RFQ
670043

45
Clear
239"
1.599
670143

45
Black
239"
1.876