Skip to main content Skip to footer

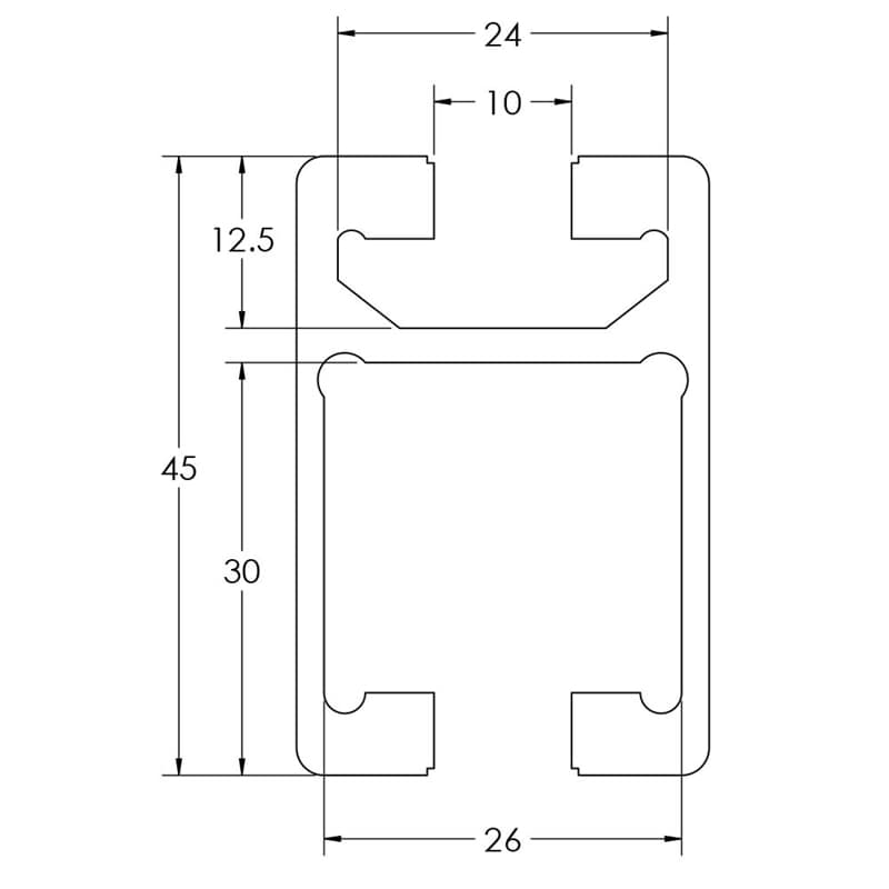
TS30-45 C Channel

Image of 670086 Image Image of 670086 Dimension Image of 670186 Image

The 30mm x 45mm channel profile was designed with the roller bearing to optomize motion. Attach the bearing and create a hassle free door design.

SELECT PRODUCT VARIATION BELOW TO ADD TO RFQ

Product Variations

Item # Series Finish Length List Price/Per Inch Qty. Add to RFQ
670086

45
Clear
239"
0.558
670186

45
Black
239"
0.713