Skip to main content Skip to footer

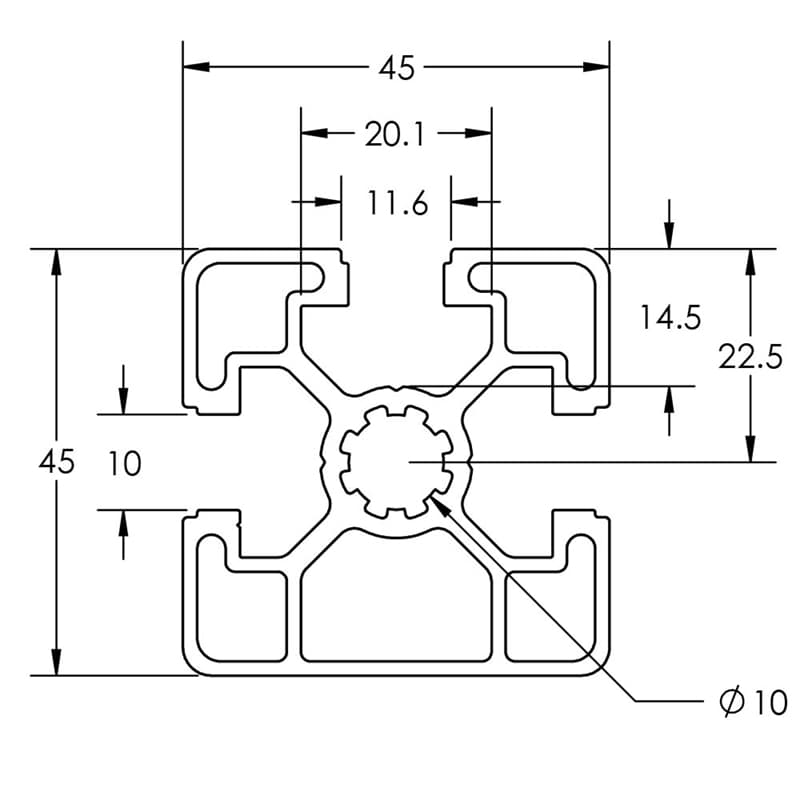
TS45-45 B Trislot

Image of 670082 Image Image of 670082 Dimension Image of 670182 Image

This 45mmL shape was designed for lighter weight and strength requirements. Applications include lighter load bearing structures, guarding and light weight frames.

SELECT PRODUCT VARIATION BELOW TO ADD TO RFQ

Product Variations

Item # Series Finish Length List Price/Per Inch Qty. Add to RFQ
670082

45
Clear
239"
0.752
670182

45
Black
239"
0.891