Skip to main content Skip to footer

TS45-45 B Bislot OPP

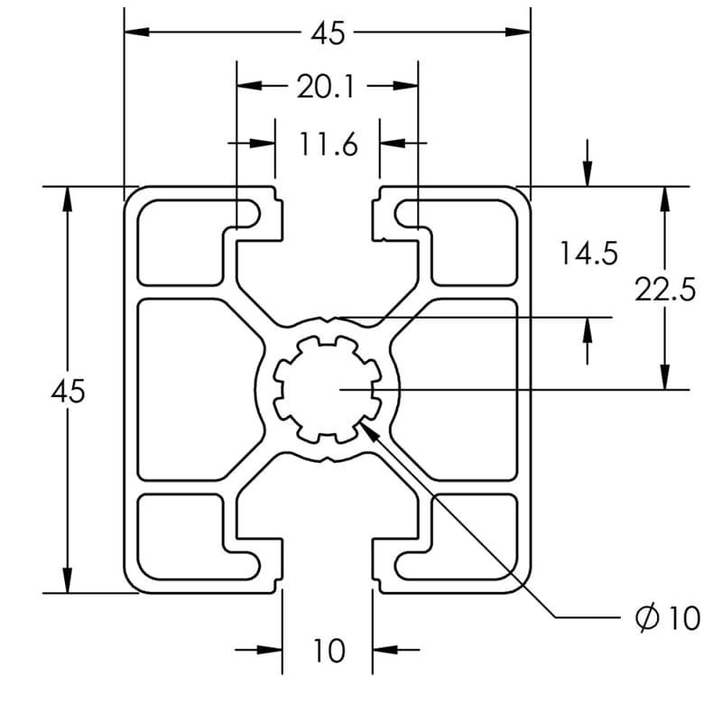
Image of 670080 Image Image of 670080 Dimension Image of 670180 Image

This 45mm shape has a thicker wall that will accommodate heavier applications than the 45mm x 45mmL. Applications include machine frames, workstations, shop carts, tables and machine retrofits.

SELECT PRODUCT VARIATION BELOW TO ADD TO RFQ

Product Variations

Item # Series Finish Length List Price/Per Inch Qty. Add to RFQ
670080

45
Clear
239"
0.752
670180

45
Black
239"
0.891